接近传感器
接近开关选型注释
M8接近开关
M12接近开关
M18接近开关
M30接近开关
矩形接近开关
接近开关附件
增量型实心轴编码器
BV38系列
BV40系列
BV50系列
BV58系列
BV78系列
BV90系列
增量型空心轴编码器
BH38系列
BH58系列
BH80系列
BH90系列
BH100系列
BH120系列
BH130系列
BH145系列
防爆型编码器
BV80系列
绝对值型编码器
DeviceNet 型
PROFIBUS DP型
SSI型
并行快速型
编码器附件
柔性连轴器
编码器安装说明
安装说明书
安装注意事项
轴传感器
轴传感器
控制单元
产品展示
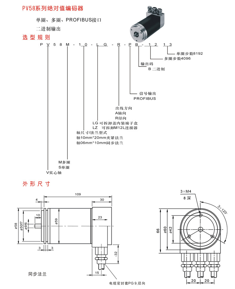
PV58系列
BANSEN ELECTRIC LIMITED